EOS-4:CAN/CAN FD接口的ESD防护
点击上方蓝字谈思实验室获取更多汽车网络安全资讯引言:ESD可能发生在任何有外露连接器的系统上,包括CAN总线接口,通常这些连接器在汽车装配和维护时外露。例如在装配一辆汽车时,需要将电缆布线与汽车中的控 2023-11-14 17:54:22 Author: 谈思实验室(查看原文) 阅读量:25 收藏

点击上方蓝字谈思实验室

获取更多汽车网络安全资讯

引言:ESD可能发生在任何有外露连接器的系统上,包括CAN总线接口,通常这些连接器在汽车装配和维护时外露。例如在装配一辆汽车时,需要将电缆布线与汽车中的控制模块相连,这样当它们穿过工厂时,这些模块上可能累积过量的电荷,在将这些电缆与装有CAN收发器的控制模块相连时,过量的电荷会从电缆流入模块,然后进入CAN收发器。根据工厂的环境条件和处理电缆布线的方式,这些放电可能高达30kV,并永久地损坏CAN收发器,导致车辆无法操作,只要在系统中处理电缆布线,就有发生ESD的风险

€1.CAN/CAN FD基础

CAN

控制器局域网 (CAN) 是许多汽车应用中广泛使用的通信协议,它是一个双线差分通信接口,通常使用双线、双绞线电缆来传输和接收串行数据,其物理层根据ISO 11898-2标准定义。物理层包含CAN收发器和双绞线,CAN收发器在网络中的协议控制器和物理总线线路之间提供物理链路,双绞线将所有的CAN节点连接在一起。连接CAN收发器和电缆的两条线路被称为CANH和CANL,CANL是低CAN总线线路,在普通运行模式下,显性态的值约为1.4V,隐性态的值为5V。在低功率模式下,CANL的电压等于电池电压。CANH是高CAN总线线路,在典型运行模式下,显性态的值约为3.6V,隐性态的值以及低功率模式下的值为0V另外,还建议用一个终端电阻来端接CANH和CANL线路,以避免信号反射和高频噪声。

高速CAN(ISO 11898的第2、5和6部分)指定传输速率最高为1Mbit/s,低速容错CAN(ISO 11898的第3部分)指定速率最高为500Kbit/s。容错通常意味着,在错误情况下,收发器可从差分接收和发送能力切换为单线发射器和/或接收器,这意味着最大单端(容错)总线电压为+12V,差分总线电压为−12V

CAN FD

由于需要传输和接收更多数据,汽车网络中使用的ECU也越来越多,因此限制为1 Mbit/s的传统CAN网络不足以适应未来需求。CAN FD是CAN物理层的更新,主要区别在于灵活的数据速率,最高可达10Mbit/s,2Mbit/s是典型的数据传输速率限制,适用于不需要更高数据速率的许多应用。

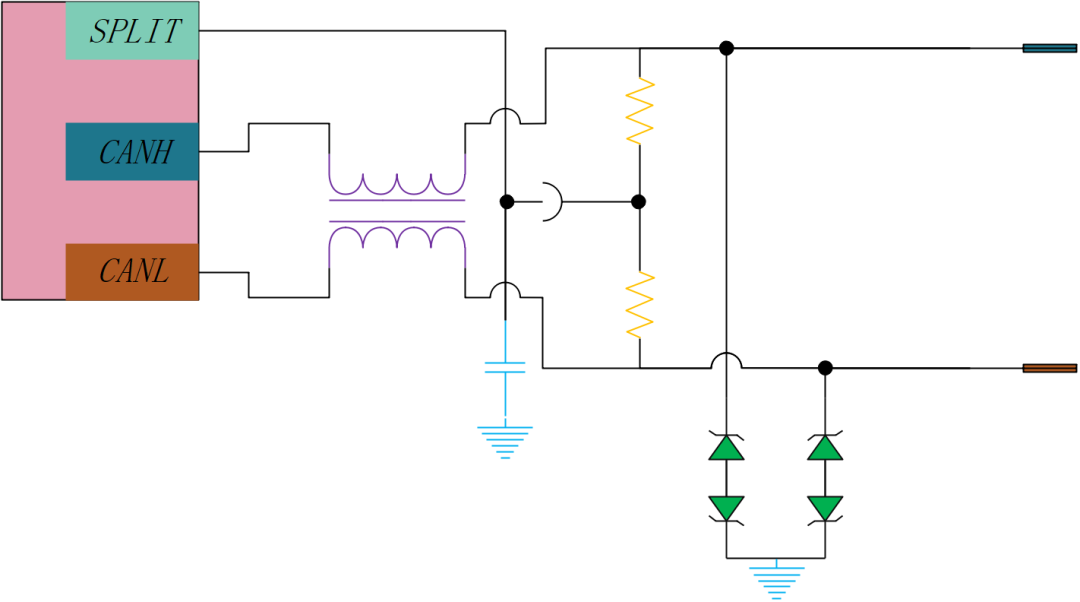
图4-1:CAN系统架构,带有单个设备来保护CAN节点
如同任何其他外露连接器接口,CAN/CAN FD接口会发生如静电放电高压瞬变事件,在CAN总线连接器上安装ESD保护二极管,外部钳位电路可应用于CANH和CANL线路,保护两条CAN总线线路免受ESD及其他瞬变现象造成的损坏,以扩展网络的ESD耐受性。不仅能够保护CAN收发器正常通信,还能够保护所有下游和相邻系统免受ESD耦合能量的影响。
Tips:

CAN协议可支持不同的速度,具体包括:

1#:低速 (LS CAN):高达125kbps

2#:高速 (HS CAN):高达1Mbps

3#:灵活数据速率 (CAN FD):高达10Mbps

4#:具有信号改善功能的 CAN (CAN SIC):高达8Mbps

5#:CAN XL:高达10-20Mbps(尚未发布)

€2.ESD保护要求

许多CAN收发器具有内置的ESD保护单元,但是为了减小芯片尺寸,它们大多数只能保护到8kV。根据不同环境,某些ESD冲击可能高达30kV,因此需要使用外部ESD保护二极管来提高系统级的ESD性能,以下是在选择正确的ESD保护二极管时需要考虑的主要事项和参数:

1#:工作电压 (Vrwm) 和极性

二极管的Vrwm 取决于使用它们的场景,在理想条件下,CAN总线电压电平在CANH的Vcc(5V或3.3V)和CANL的0V之间摆动,但是在车辆中有一种取决于电池电压的共模电压。小型车辆使用12V电池,大型车辆使用24V电池。除了共模电压外,如果汽车电池几乎没有电量,还会出现不正常的借电启动风险。要正确地借电启动车辆,需将另一辆车的电池与无电电池并连。不了解这点的人可能会将两个电池串连,将汽车的整体电压加倍。在12V电池的情况下,需要使用24V ESD二极管,以确保在这种串联借电启动的情况下,它不会烧掉。在使用由两块12V单元组成的24V电池时,需要使用一个36V二极管,因为这两个电池单元将分别充电,考虑到线路故障和误接线,所有二极管都需要是双向二极管。

此外,由于CAN网络可能短路接至电压源,例如汽车电池,因此CANL和CANH线路上的ESD保护器件必须能够耐受更高电压电平。在快速启动条件下,或者如果有两个12V电池串联,这意味着至少需要2×12V=24V的截止电压VRWM

2#:IEC 61000-4-2等级

IEC 61000-4-2标准定义了模拟实际ESD冲击的波形,与模拟受控环境中ESD事件的人体放电模型(HBM) 和充电器件模型 (CDM) 等波形不同,某些环境因素(比如湿度和温度)会使ESD冲击更加剧烈,建议至少使用最小接触等级为15kV的ESD二极管

3#:ISO 10605等级

ISO 10605标准定义了一种模拟汽车环境中实际ESD冲击的波形,此波形定义了许多不同的电容和电阻组合,与只需要150pF/330Ω的IEC 61000-4-2不同,这些组合的最大强度为330pF/330Ω,这比IEC61000-4-2波形更加剧烈。要在严酷的汽车环境中经受住ESD冲击,建议ESD二极管的最小接触等级为15kV。

4#:电容

ESD二极管应具有低电容,以尽可能减少信号衰减,二极管最大允许结电容可能因信号速度(LS CAN与CAN FD)、收发器电容、网络规模和CANH、CANL线路上的其他器件(如滤波电容器)而异,通常建议将二极管电容保持在15pF以下,以尽可能提高系统的总电容预算

5#:钳位电压VCL

钳位电压要求可能因使用的CAN收发器而异,钳位电压VCL应当低于CANH和CANL引脚的绝对最大等级耐压值

6#:封装

对于CAN应用,许多系统需要对其电路板进行自动光学检查,以确认所有器件都已正确焊接,考虑到这一点,建议对ESD二极管使用引线式封装,如SOT-23和SC70

€3.ESD保护实例

将ESD2CAN24-Q1与TCAN1042V-Q1 CAN收发器配对使用,演示了其如何在12V汽车环境中提供系统级ESD抗扰能力。本实验中使用了两个电路板:一个电路板只有 TCAN1042V-Q1,另一个电路板同时装有ESD2CAN24-Q1和TCAN1042V-Q1。

为测量信号完整性,两个电路板都采用5V电源,并在TXD引脚上施加500kHz (1Mbps) 的数字信号,来模拟HS CAN环境。将一个示波器连接到CANH(线路 1)、CANL(线路 2)、TXD(线路 3)和RXD(线路4),以观察结果。如图4-2图 4-3中的结果所示,ESD2CAN24-Q1二极管根本不会劣化CANH和CANL信号

图4-2:无二极管

图4-3:有ESD二极管

为测量系统级ESD抗扰能力,两个电路板的CANH和CANL引脚都受到了±30kV ISO 10605接触脉冲的冲击。因为TCAN1042V-Q1额定只能承受8kV ISO 10605脉冲,所以没有二极管的系统出现了故障,采用ESD2CAN24-Q1的系统则经受住了冲击,因为ESD2CAN24-Q1将脉冲限制在收发器可以承受的足够低的电压水平内。

€4.总结

为了确保稳健的系统级保护,满足汽车在各类环境中正常运行,CAN总线这种接口需要有非常强大的ESD保护解决方案,要确保系统不仅不会出现高压瞬变,而且要尽可能减少电容,以实现不受约束的信号传输,CAN和CAN FD推荐表4-1表4-2参数。

表4-1:LIN总线ESD/TVS diode选型参数参考

表4-2:LIN总线ESD/TVS diode选型参数参考

来源: 硬件系统架构师 

码上报名

谈思实验室AutoSec智能汽车安全攻防实训课程,11月,上海


文章来源: http://mp.weixin.qq.com/s?__biz=MzIzOTc2OTAxMg==&mid=2247528862&idx=2&sn=cefa7a782770a4ed1fe33de5fd147917&chksm=e9273545de50bc5351144df81f5b5bd3e40ef647dab6989558925375a6551d146b5f11e12716&scene=0&xtrack=1#rd
如有侵权请联系:admin#unsafe.sh